Walk-in Test Chamber

Walk-in Test Chamber

EMAIL

Structure drawing of ALP-WTH375W walk in test chamber (For Quality Report) - 20150324.jpg


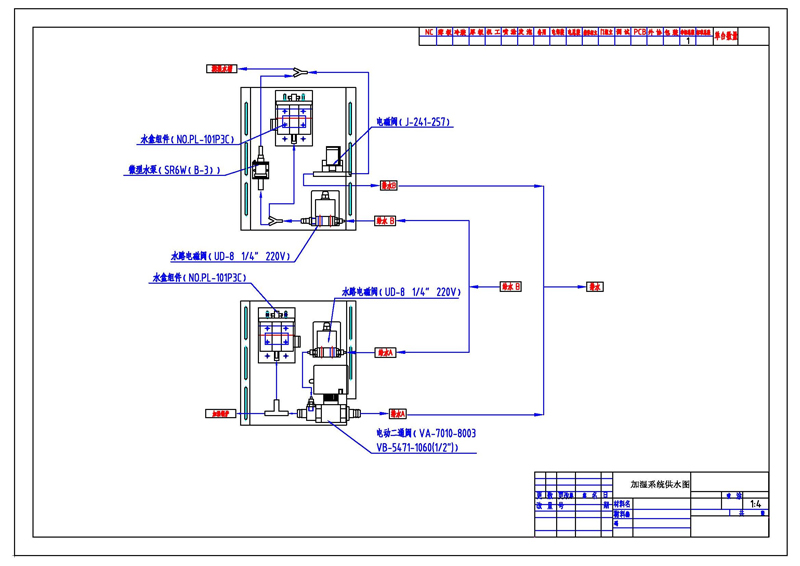
水路系统图.jpg

蒸汽加湿器图.jpg

PREVIOUS:Aging Room No next

INQUIRY

CATEGORIES

CONTACT US

Contact: Marketing Department

Phone: +86-17778938919

E-mail: info@alp-environment.com

Whatsapp:+86-15267849238

Add: No.19, Mingde Road, Xi’an, China, 710061